IM电竞

销售热线: 150-6858-2155
服务热线: 0575-83352611
手机导航


该系列电机有结构紧凑、效率高、噪音低等特点,4、6、8极均可,被广泛应用于吸油烟机、空调器、除湿机、换新风等设备中,可根据客户要求设计制造。


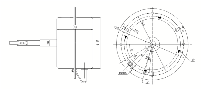
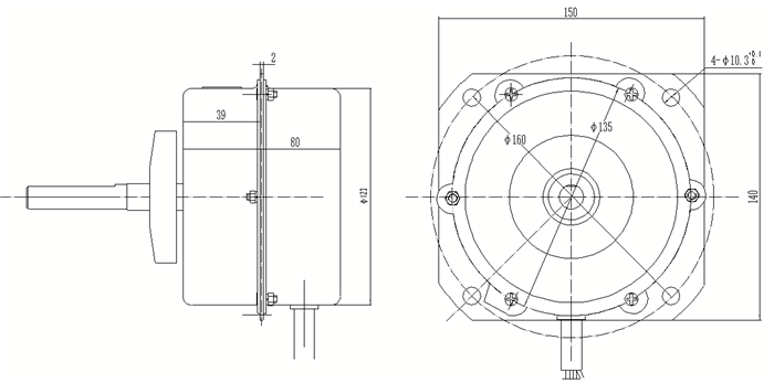
经典款图纸




技术参数范围:

1. 电压适用范围:220-240V;100-120V
2. 频率适用范围:50-60Hz
3. 输出功率范围:40-200W
4. 电机极数: 2P、4P 、6P
5. 转向适用范围: CW或者CCW
6. 可做380/220三相


上一个:油烟机电机

下一个:空调外机电机

IM电竞